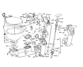
RM69 Kit de réparation pour pompe WC Sealock
Composition du kit:
-Valve bec de canard
-Cone de blocage
-Valve supérieur pompe
-Joint valve inférieur
-Bouchon d'étanchéité piston
-Divers joint de montage
Aucun avis client. Soyez le premier à déposer un avis consommateur
MEYER Dynafil Dyneema Ø10mm Fond gris fil jaune


BIGSHIP Anode recharge radice Ø22/25mm blister


" Disponibles, réactifs, pros, sympathiques. C'est le sans faute. "
" super pro gentil équipe au top merci! "
" Produit conforme à la commande. Envoi super rapide. Parfait "
" Bonjour, Surpris de la réactivité de votre entreprise, commande effectué le veille livrer le lendemain! il y a des société qui devrait prendre exemple sur vous. merci ! de vrais professionnels Cdlt Mr Mangin "
" Equipe très compétente, accueil irréprochable, large choix de produits... Bravo Nicolas & Co ! "
" remarquable réactivité suite à mon erreur d'adresse, équipe géniale. un grand merci. "
" Interlocuteur téléphonique très sympa Bonnes informations Continuer comme ça Merci "
" les produits sont conformément à mes attentes "
" Bon produit et délai de livraison correct. "
" Bonjour, Je viens de réaliser mon premier carénage, et honnêtement je vous recommande Big ship. L'équipe est au top, un grand merci à Philippe pour son intervention sur les passe coque et tous ses bons conseils. Big ship est très professionnel j'ai m... "
" Excellent accueil au magasin de La Rochelle. Des conseils pertinents et une disponibilité totale. Big Ship les Minimes c'est toujours mon premier choix "